Дополнительные детали электрического стартера — [0N088578 & Up] - Belgium - Cat.# 90-803821006 — купить в Victory Marine
Дополнительные детали электрического стартера
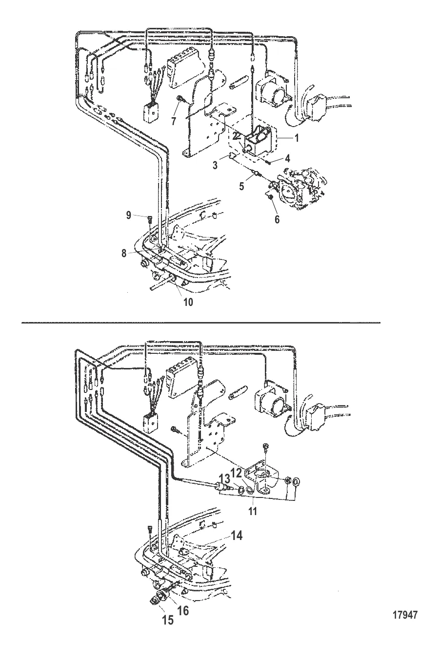
2
3
4
5
6
7
8
9
10
11
12
13
14
15
16

Дополнительные детали электрического стартера

1 794 ₽

164 ₽

105 ₽

5 . ROD Mercury 853832001

853832 → 853832001

1 106 ₽

285 ₽

109 ₽

157 ₽

9 . ВИНТ Mercury 16827

95384 → 16827

185 ₽

491 ₽

5 198 ₽

216 ₽

294 ₽

504 ₽

3 313 ₽

536 ₽

Полезные статьи

Все статьи →
Сравнения и обзоры

Электрический лодочный мотор как основной двигатель — когда это имеет смысл

Не путаем с троллинговыми моторчиками — речь про полноценные электрические двигатели для лодок. Torqeedo, ePropulsion и другие: мощность, батареи, запас хода, стоимость владения.

1 мин.
Гайды и подбор

Рыбалка на Ладоге с лодки — виды рыб, места, сезоны, правила

Ладожское озеро — крупнейший пресный водоём Европы и настоящий рыболовный клондайк. Разбираем лучшие места, видовой состав, сезонный календарь и правила безопасности на «большой воде».

1 мин.
Обслуживание и ремонт

Топливный фильтр-сепаратор для лодочного мотора: зачем нужен и как обслуживать

Зачем нужен выносной фильтр-сепаратор, чем отличается от встроенного, как выбрать, установить и обслуживать. Артикулы Quicksilver, признаки забитого фильтра и цена вопроса.

1 мин.
Связаться с нами