Cylinder Block and Covers — [0B238464 THRU 0G044026] - USA - Cat.# 90-18583 — купить в Victory Marine
Cylinder Block and Covers
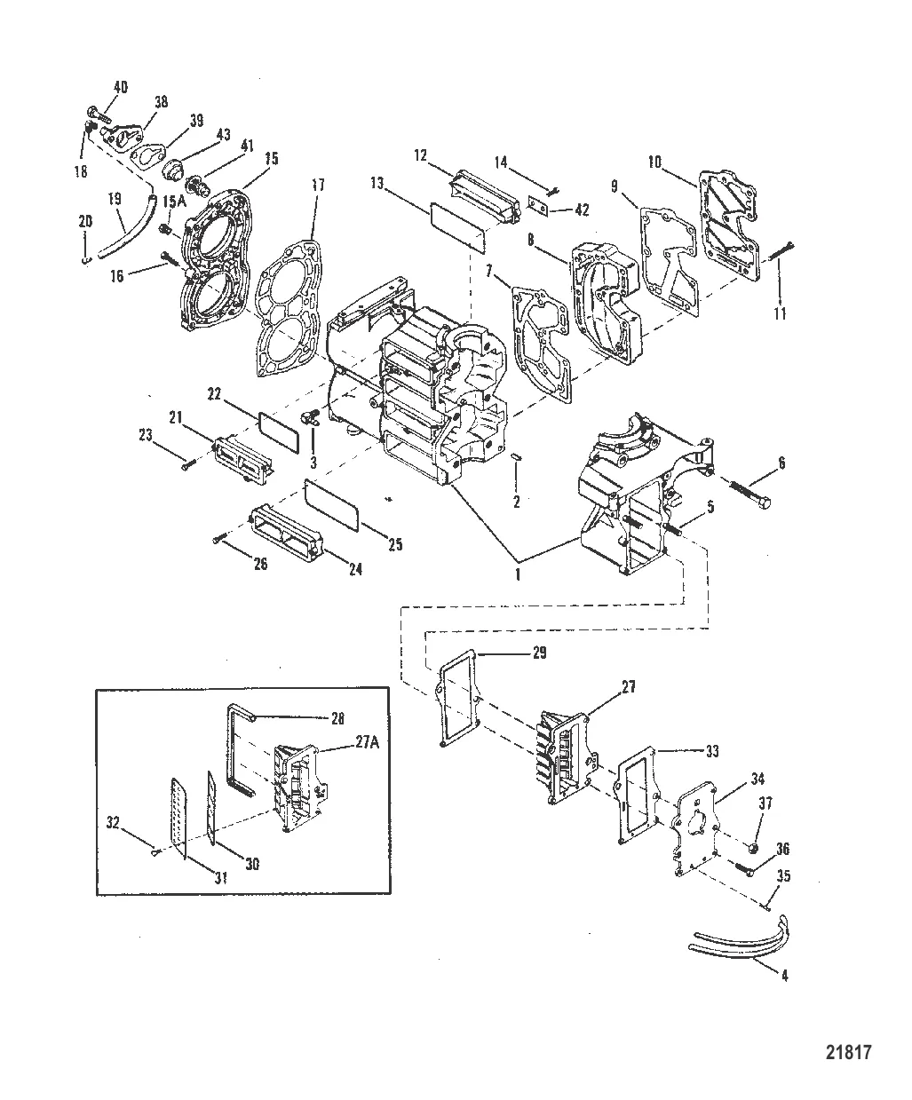
1
2
3
4
5
6
8
10
12
15
16
17
20
21
22
24
26
28
29
30
31
32
33
35
36
37
38
39
40
42
43

Cylinder Block and Covers

1 . ORD 872- 9533T38 Mercury 9533T39

9533T29 → 9533A29 → 9533A3 → 9533T39

90 814 ₽

Уточняйте

619 ₽

2 033 ₽

2 832 ₽

1 463 ₽

518 ₽

1 375 ₽

4 644 ₽

1 577 ₽

13 664 ₽

12 . КРЫШКА Mercury 144071

14407 → 92349 → 144071

4 062 ₽

7 983 ₽

415 ₽

Уточняйте

298 ₽

8 732 ₽

660 ₽

1 006 ₽

875 ₽

4 567 ₽

457 ₽

321 ₽

22 643 ₽

1 771 ₽

29 . ПРОКЛАДКА Mercury 414172

414171 → 41417 → 85978 → 414172

853 ₽

4 244 ₽

331 ₽

152 ₽

33 . ПРОКЛАДКА Mercury 414181

41418 → 85979 → 414181

688 ₽

11 768 ₽

1 500 ₽

161 ₽

269 ₽

4 388 ₽

268 ₽

439 ₽

383 ₽

43 . Прокладка 62386001

62386 → 62386B → 62386001

221 ₽

Полезные статьи

Все статьи →
Сравнения и обзоры

Инжектор vs карбюратор на лодочном моторе — преимущества EFI

Сравниваем инжекторную (EFI) и карбюраторную топливные системы на лодочных моторах. Разбираем расход топлива, холодный запуск, обслуживание и цену — и объясняем, почему Mercury перевели все моторы на EFI.

1 мин.
Гайды и подбор

Ловля на живца с лодки — жерлицы, поставушки, кружки

Живец — проверенная веками приманка, которой не нужна реклама. Рассказываем, как ловить и хранить живца, ставить жерлицы, поставушки и кружки с лодки — и не нарушить закон.

1 мин.
Обслуживание и ремонт

Мотор глохнет на холостых оборотах — пошаговая диагностика

Лодочный мотор заводится, но глохнет на холостых? Разбираем пошаговый алгоритм диагностики: от топливной системы и зажигания до регулировки холостого хода и типичных болезней моторов Mercury.

1 мин.
Связаться с нами