Блокировка реверса — [0N001590 THRU 0N055284] — купить в Victory Marine
Блокировка реверса
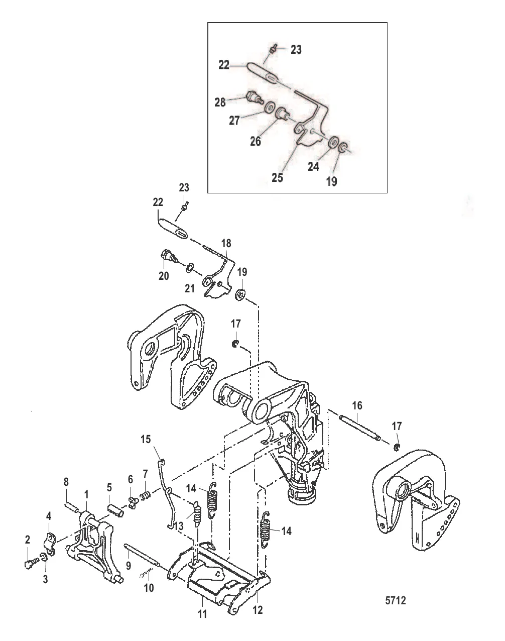
1
2
3
5
6
7
8
9
10
12
13
14
17
18
19
20
21
22
23

Блокировка реверса

10 799 ₽

225 ₽

3 . Шайба 400256

16819 → 95303 → 400256

225 ₽

878 ₽

285 ₽

226 ₽

364 ₽

197 ₽

771 ₽

157 ₽

3 706 ₽

3 134 ₽

364 ₽

1 395 ₽

480 ₽

1 067 ₽

186 ₽

1 889 ₽

19 . Шайба 953921

16237 → 16224 → 953921

284 ₽

621 ₽

190 ₽

685 ₽

23 . STOPPER Mercury 8M0051399

853776 → 8M0051399

308 ₽

Полезные статьи

Все статьи →
Гайды и подбор

Судовой билет на лодку — что это, как получить и что в нём указано

Судовой билет — главный документ маломерного судна, без которого вас оштрафуют при первой же проверке ГИМС. Разбираем, кому он нужен, как его получить и что делать при утере.

1 мин.
Гайды и подбор

Суточные нормы вылова рыбы 2026 — размеры, ограничения, штрафы

Актуальные нормы вылова рыбы в 2026 году: суточные лимиты, минимальные размеры по видам, запрещённые способы лова. Штрафы за нарушения и советы, как не попасть на проблемы.

1 мин.
Обслуживание и ремонт

Промывка системы охлаждения лодочного мотора — средства и процедура

Промывка системы охлаждения — обязательная процедура для любого лодочного мотора, особенно после эксплуатации в солёной или мутной воде. Разбираем средства, методы и пошаговую процедуру промывки для моторов Mercury.

1 мин.
Связаться с нами