Блок, распределительный вал и поршни — [0W310000 THRU 0W649999] — купить в Victory Marine
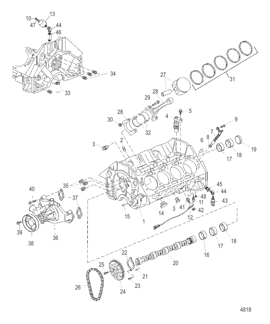
Блок, распределительный вал и поршни
3
5
6
7
9
10
12
14
16
17
18
21
22
23
24
25
26
28
29
30
31
32
33
35
36
37
38
39
40
44
45
46
47
48

Блок, распределительный вал и поршни

2 962 ₽

17 117 ₽

477 ₽

6 . ШТИФТ Mercury 52190

845758 → 52190

1 175 ₽

39 124 ₽

1 985 ₽

10 . Гайка 68219

20645 → 33252 → 68219

72 ₽

11 012 ₽

10 990 ₽

3 230 ₽

223 ₽

3 628 ₽

9 222 ₽

9 404 ₽

511 ₽

172 914 ₽

165 343 ₽

21 . ШТИФТ Штифт Mercury 843378

35312 → FI1100086 → 843378

1 677 ₽

4 770 ₽

1 599 ₽

42 350 ₽

617 ₽

37 258 ₽

147 991 ₽

26 249 ₽

Уточняйте

39 884 ₽

44 420 ₽

39 888 ₽

Уточняйте

4 649 ₽

30 . NUT 8M0158156

883918 → 8M0158156

Уточняйте

31 147 ₽

39 410 ₽

15 983 ₽

2 526 ₽

1 249 ₽

443 ₽

35 . Заглушка 32561

48340 → 60667 → 64759 → 32561

438 ₽

63 526 ₽

5 717 ₽

4 946 ₽

415 ₽

572 ₽

Уточняйте

4 561 ₽

43 . 881879T11 Датчик давления Mercruiser (QUICKSILVER)

881879011 → 881879A6 → 859210T → 859210 → 881879T11

24 990 ₽

44 . фитинг Mercury 8M0123050

8M0109010 → 8M0123050

3 922 ₽

596 ₽

1 517 ₽

47 . Шайба 26996

20040 → 26996

140 ₽

1 012 ₽

Полезные статьи

Все статьи →
Связаться с нами