Блок ДУ в сборе (802755) — [0M954922 THRU 0M964698] - USA — купить в Victory Marine
Блок ДУ в сборе (802755)
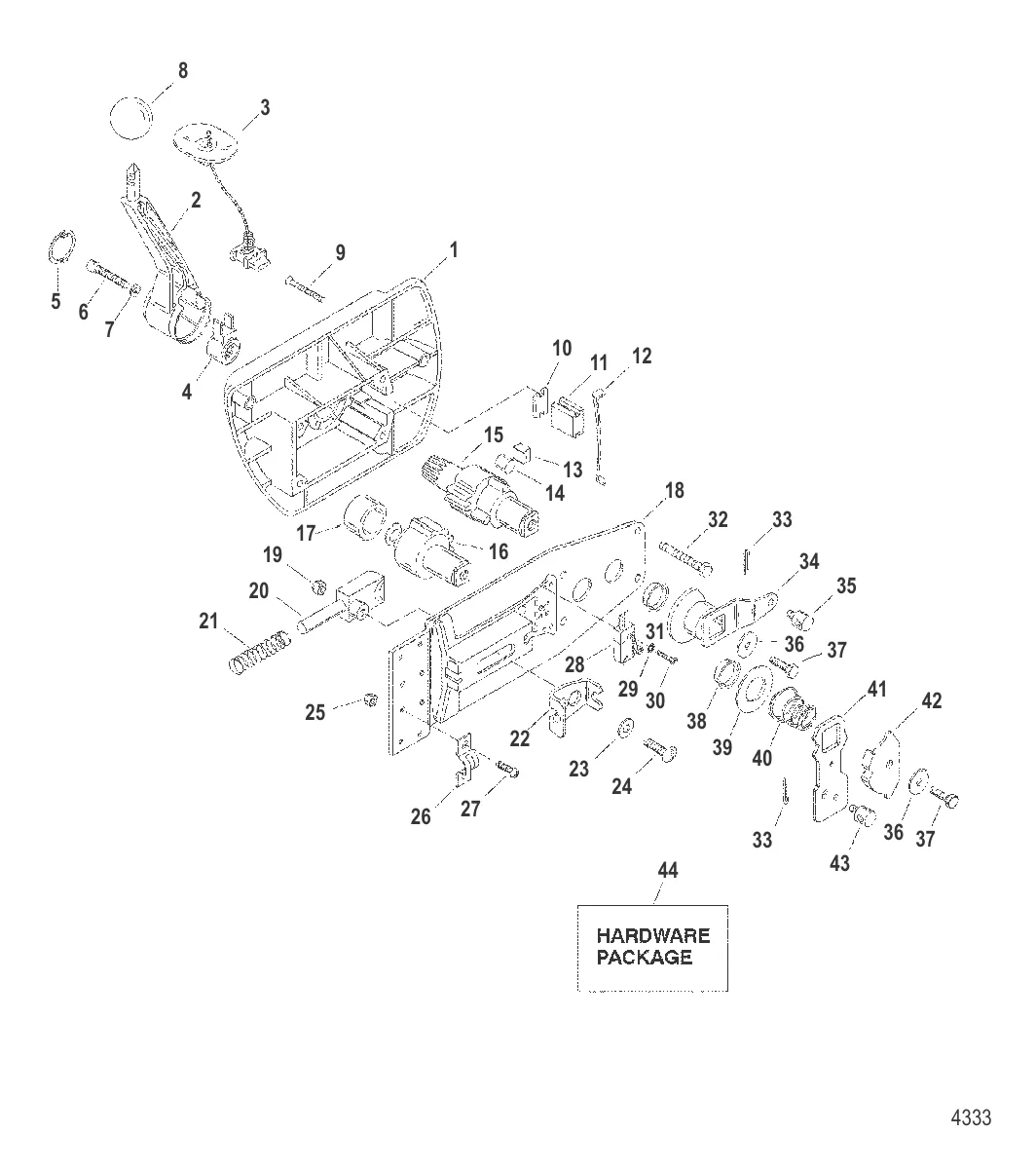
2
5
6
7
8
9
17
18
19
20
21
22
23
24
25
26
27
28
29
30
32
33
34
35
36
37
38
39
40
41
42
43
44

Блок ДУ в сборе (802755)

104 516 ₽

15 139 ₽

2 199 ₽

154 ₽

113 ₽

1 776 ₽

151 ₽

186 ₽

Уточняйте

5 028 ₽

266 ₽

511 ₽

297 ₽

653 ₽

211 ₽

295 ₽

171 ₽

1 301 ₽

207 ₽

13 215 ₽

212 ₽

125 ₽

125 ₽

239 ₽

5 362 ₽

3 026 ₽

36 . ШАЙБА Mercury F17036

F17018 → F17036

Уточняйте

307 ₽

777 ₽

125 ₽

125 ₽

41 . ARM Mercury 820690

852091 → 820690

1 402 ₽

1 353 ₽

Уточняйте

3 683 ₽

Полезные статьи

Все статьи →
Связаться с нами