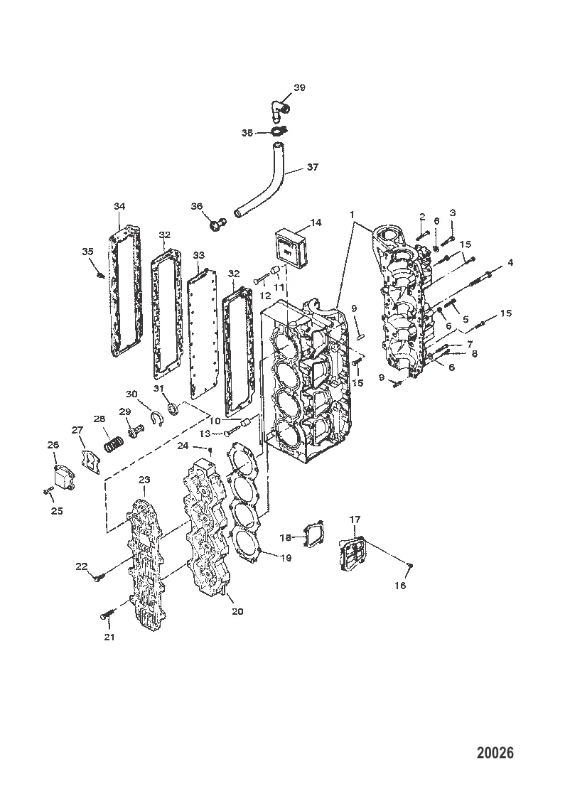
Блок цилиндров в сборе (Сер. № от 0E173428 до 0E287999) — [0E138600 THRU 0E202999] - USA — купить в Victory Marine
Блок цилиндров в сборе (Сер. № от 0E173428 до 0E287999)
1
2
3
4
5
6
7
8
10
11
12
13
15
17
18
19
21
22
23
24
25
26
27
28
29
30
31
32
33
34
35
36
38

Блок цилиндров в сборе (Сер. № от 0E173428 до 0E287999)

1 . PH F120 99 Mercury 818154A48

818154A43 → 818154A31 → 818154A48

928 044 ₽

324 724 ₽

Уточняйте

316 ₽

52 ₽

213 ₽

313 ₽

7 . Болт 32132

35788 → 35343 → 32132

311 ₽

1 149 ₽

306 ₽

326 ₽

338 ₽

12 . ШТИФТ Mercury F691372

F691312 → F691372

128 ₽

236 ₽

27 504 ₽

278 ₽

Уточняйте

670 ₽

8 092 ₽

20 . Головка блока цилиндров Mercury 819777T4

8197774 → 8197772 → 819777 → F720518 → F665518 → FA665518 → 819777T4

52 916 ₽

384 ₽

260 ₽

23 . КРЫШКА Mercury F665995

FS665995 → F665995

13 312 ₽

Уточняйте

263 ₽

7 231 ₽

251 ₽

584 ₽

4 935 ₽

883 ₽

2 902 ₽

2 604 ₽

13 081 ₽

19 831 ₽

235 ₽

487 ₽

8 732 ₽

45 ₽

298 ₽

Полезные статьи

Все статьи →
Связаться с нами