Блок цилиндров в сборе (800-818154A52) — [0E315905 THRU 0E341982] - USA — купить в Victory Marine
Блок цилиндров в сборе (800-818154A52)
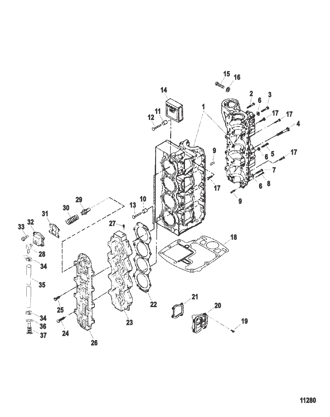
1
2
3
4
5
6
7
8
10
11
12
13
14
16
17
18
20
21
22
24
25
26
29
30
31
32
33
34
36
37

Блок цилиндров в сборе (800-818154A52)

122 170 ₽

693 938 ₽

Уточняйте

316 ₽

52 ₽

213 ₽

313 ₽

7 . Болт 32132

35788 → 35343 → 32132

311 ₽

1 149 ₽

306 ₽

326 ₽

338 ₽

12 . ШТИФТ Mercury F691372

F691312 → F691372

128 ₽

236 ₽

44 726 ₽

230 ₽

223 ₽

278 ₽

4 112 ₽

Уточняйте

Уточняйте

670 ₽

8 092 ₽

23 . Головка блока цилиндров Mercury 819777T4

8197774 → 8197772 → 819777 → F720518 → F665518 → FA665518 → 819777T4

52 916 ₽

384 ₽

260 ₽

26 . КРЫШКА Mercury F665995

FS665995 → F665995

13 312 ₽

1 000 ₽

1 316 ₽

750 ₽

221 ₽

251 ₽

7 231 ₽

263 ₽

742 ₽

9 225 ₽

587 ₽

3 802 ₽

Полезные статьи

Все статьи →
Связаться с нами