БЛОК ЦИЛИНДРОВ, КАРТЕР И КРЫШКИ — [7144763 & Up] - Canada — купить в Victory Marine
БЛОК ЦИЛИНДРОВ, КАРТЕР И КРЫШКИ
2
3
7
8
9
10
11
12
13
14
15
17
18
19
20
24
25
26
27
28
29
30
31
32
33
34
35
37
39
40
41
42
43
44

БЛОК ЦИЛИНДРОВ, КАРТЕР И КРЫШКИ

Уточняйте

Уточняйте

634 ₽

16 685 ₽

113 ₽

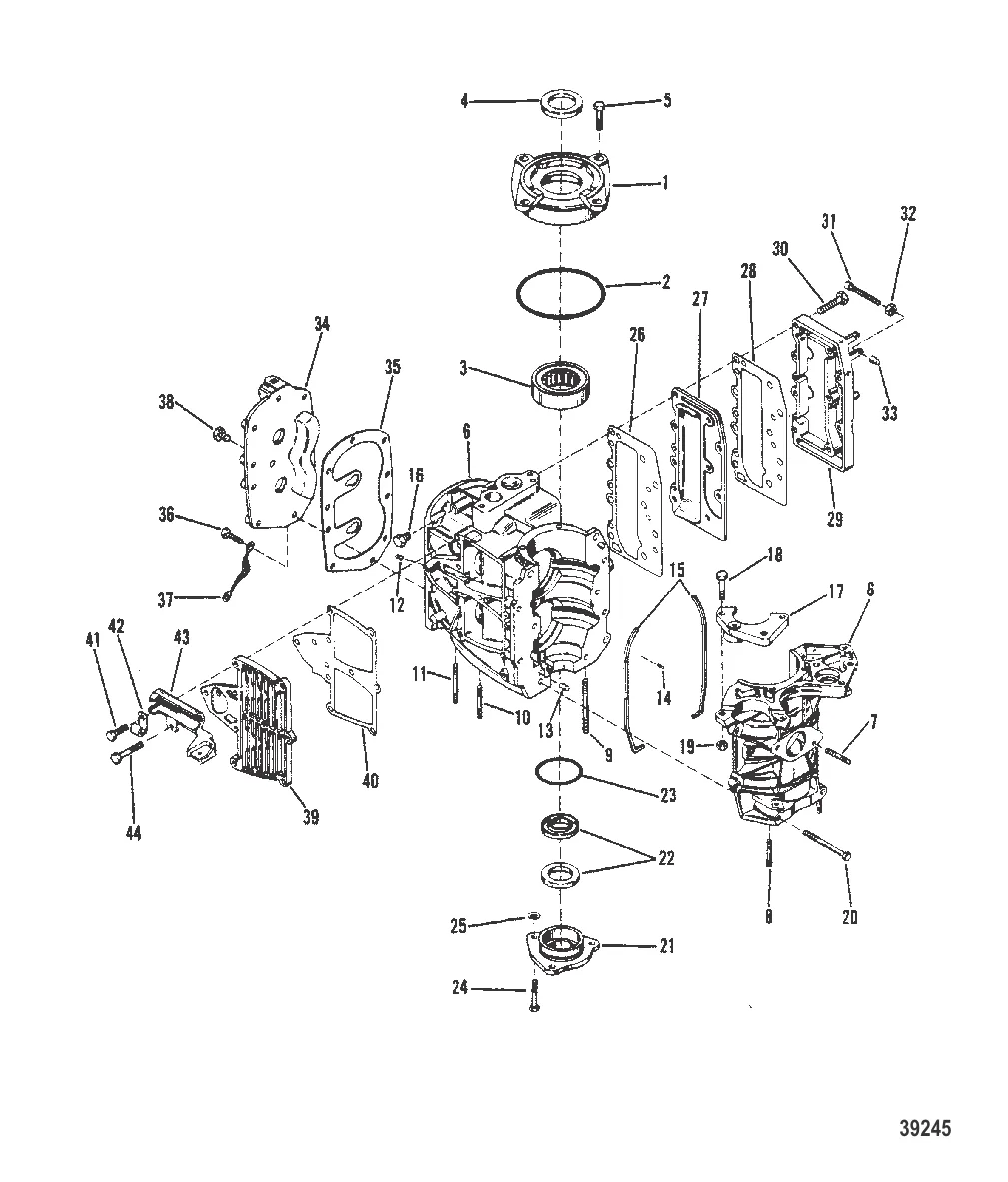
6 . блок цилиндров/CRANKCASE Mercury 7940A6

7940A2 → 7418A2 → 6663A3 → 6297A3 → 5350A3 → 7940A6

Уточняйте

7 . ШПИЛЬКА Mercury 64936

68164 → 64280 → 35099 → 20351 → 64936

Уточняйте

Уточняйте

Уточняйте

Уточняйте

1 994 ₽

405 ₽

699 ₽

522 ₽

352 ₽

Уточняйте

Уточняйте

298 ₽

225 ₽

494 ₽

353 ₽

Уточняйте

Уточняйте

318 ₽

Уточняйте

171 ₽

26 . Прокладка Mercury 854892

854891 → 85489 → 78028 → 55306 → 854892

Уточняйте

Уточняйте

28 . Прокладка Mercury 854882

854881 → 85488 → 78027 → 55308 → 854882

946 ₽

Уточняйте

205 ₽

225 ₽

Уточняйте

32 . ГАЙКА (0.250-20) Mercury 64015

F1341 → F15051 → 64015

266 ₽

565 ₽

34 . крышка Mercury 91101

9110T → 9110 → 6652 → 6137 → 3869 → 91101

Уточняйте

35 . ПРОКЛАДКА Mercury 854901

85490 → 78029 → 74708 → 55307 → 854901

Уточняйте

Уточняйте

1 000 ₽

Уточняйте

1 037 ₽

161 ₽

544 ₽

Уточняйте

260 ₽

Полезные статьи

Все статьи →
Связаться с нами