БЛОК ЦИЛИНДРОВ И РАСПРЕДЕЛИТЕЛЬНЫЙ ВАЛ — 1992-1993 [0D714370 THRU 0F001219] — купить в Victory Marine
БЛОК ЦИЛИНДРОВ И РАСПРЕДЕЛИТЕЛЬНЫЙ ВАЛ
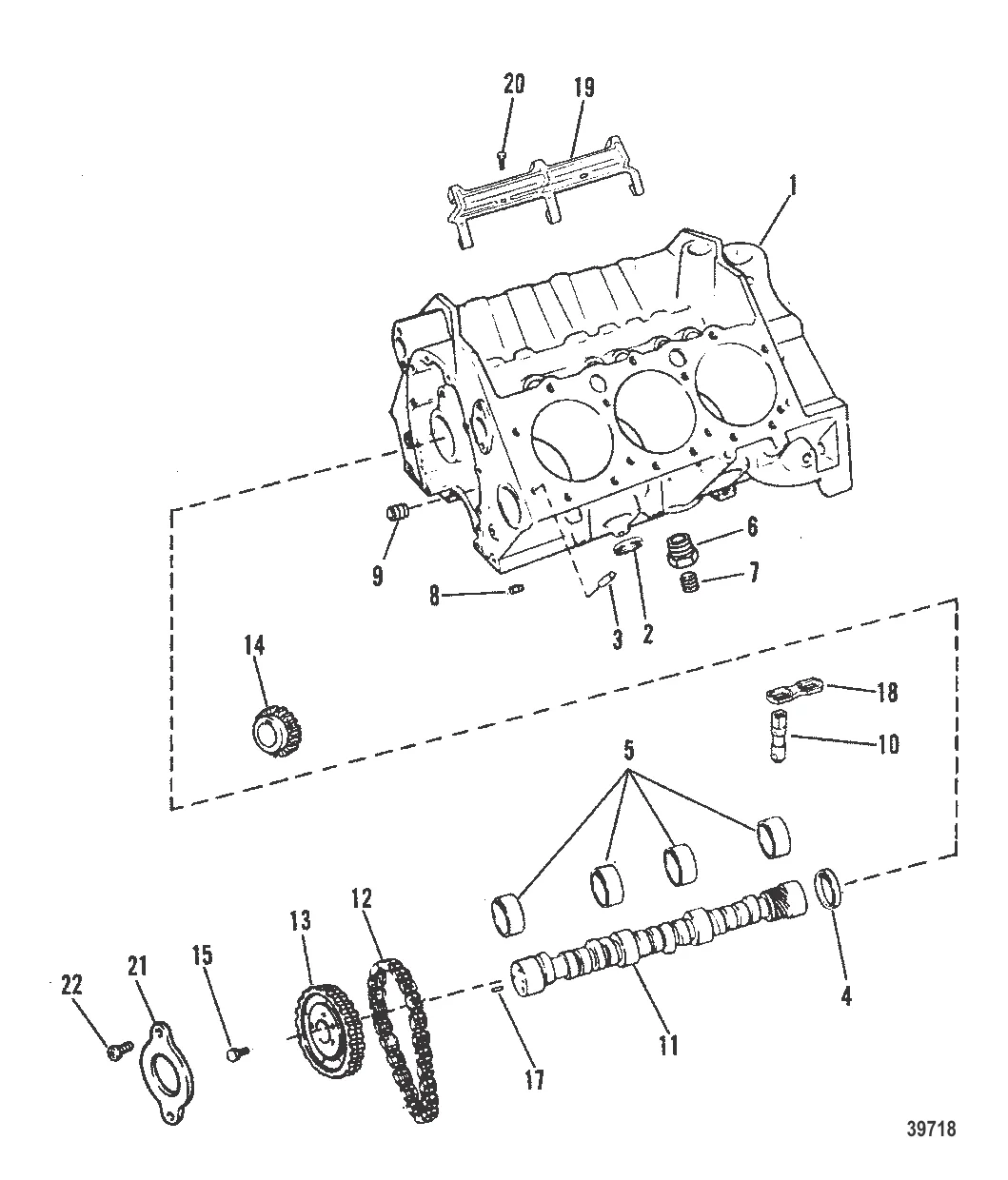
1
3
4
5
9
10
11
12
13
14
17
18
19
20
21
22

БЛОК ЦИЛИНДРОВ И РАСПРЕДЕЛИТЕЛЬНЫЙ ВАЛ

Уточняйте

1 072 ₽

3 . ШТИФТ Штифт (0.312) Mercury 35465

FI1100750 → F141216 → 35465

608 ₽

1 166 ₽

13 082 ₽

1 083 ₽

1 000 ₽

945 ₽

708 ₽

19 078 ₽

42 955 ₽

12 . ЦЕПЬ Mercury 17161T

17161 → FI1101305 → 17161T

13 301 ₽

22 635 ₽

6 052 ₽

15 . ВИНТ (0.312-18 x 0.75) Mercury 8M0043993

845942 → 35339 → 35170 → 8M0043993

237 ₽

17 . ШТИФТ Штифт Mercury 843378

35312 → FI1100086 → 843378

1 677 ₽

2 478 ₽

Уточняйте

20 . ВИНТ (0.312-18 x 0.625) Mercury 34500

FI1100945 → F839896 → 34500

1 714 ₽

Уточняйте

482 ₽

Полезные статьи

Все статьи →
Связаться с нами