Блок цилиндров и распределительный вал — 2000-2003 [0L306805 THRU 0M901290] - USA — купить в Victory Marine
Блок цилиндров и распределительный вал
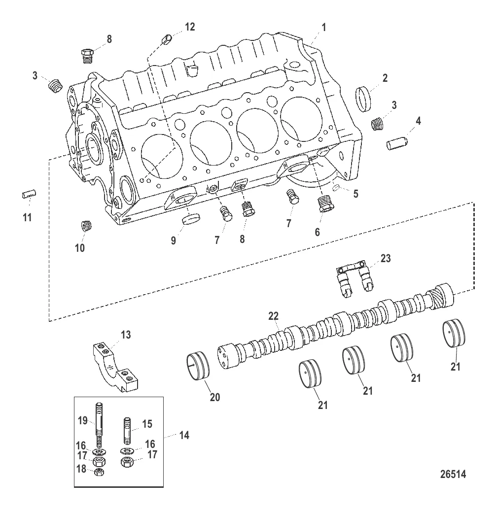
1
5
8
10
11
12
13
14
15
17
18
19

Блок цилиндров и распределительный вал

1 . CYL блок ASSY Mercury 843210A12

17826A14 → 17826A13 → 843210A12

1 459 464 ₽

1 . PARTIAL ENG-900DS Mercury 843210A11

849040A17 → 843210A11

9 490 817 ₽

511 ₽

962 ₽

Уточняйте

596 ₽

1 000 ₽

8 . Пробка 36382

35167 → 36382

699 ₽

2 238 ₽

10 . Заглушка 32561

48340 → 60667 → 64759 → 32561

438 ₽

11 . ШТИФТ Штифт Mercury 843378

35312 → FI1100086 → 843378

1 677 ₽

1 175 ₽

218 779 ₽

52 544 ₽

18 513 ₽

2 515 ₽

1 663 ₽

509 ₽

Уточняйте

798 ₽

2 587 ₽

10 869 ₽

5 533 ₽

29 601 ₽

29 600 ₽

Уточняйте

151 978 ₽

34 740 ₽

Полезные статьи

Все статьи →
Гайды и подбор

Календарь клёва рыбы 2026 — помесячный прогноз по видам

Подробный календарь клёва рыбы на 2026 год с помесячным прогнозом для щуки, судака, окуня, леща, карпа и сома. Лунные фазы, лучшие приманки и региональные поправки.

1 мин.
Обслуживание и ремонт

Ремонт редуктора лодочного мотора Mercury своими руками

Подробная инструкция по ремонту редуктора (lower unit) лодочного мотора Mercury: диагностика, снятие, замена сальников, шестерён и подшипников, сборка. Конкретные артикулы запчастей и сравнение стоимости самостоятельного ремонта с сервисом.

1 мин.
Гайды и подбор

Лодка РИБ — что это такое, плюсы и минусы, для кого подходит

Что такое РИБ, чем он отличается от обычной ПВХ и алюминиевой лодки, когда РИБ оправдан, а когда — лишняя трата денег. Разбираемся с конструкцией, ценами и подбором мотора.

1 мин.
Связаться с нами