Блок цилиндров и распределительный вал — 1997-1999 [0K000858 THRU 0L602069] - USA — купить в Victory Marine
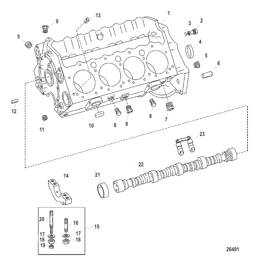
Блок цилиндров и распределительный вал
1
2
3
6
7
9
11
12
13
14
15
16
17
18
19
20
21
22

Блок цилиндров и распределительный вал

1 . CYL блок ASSY Mercury 843210A12

17826A14 → 17826A13 → 843210A12

1 459 464 ₽

8 856 581 ₽

Уточняйте

3 . Кольцо 627021

62702 → 22175 → 627021

171 ₽

511 ₽

962 ₽

596 ₽

1 000 ₽

9 . Пробка 36382

35167 → 36382

699 ₽

2 238 ₽

11 . Заглушка 32561

48340 → 60667 → 64759 → 32561

438 ₽

12 . ШТИФТ Штифт Mercury 843378

35312 → FI1100086 → 843378

1 677 ₽

1 175 ₽

52 544 ₽

Уточняйте

2 515 ₽

1 663 ₽

509 ₽

Уточняйте

1 736 ₽

798 ₽

2 587 ₽

22 857 ₽

151 978 ₽

34 740 ₽

Полезные статьи

Все статьи →
Связаться с нами