БЛОК ЦИЛИНДРОВ И РАСПРЕДЕЛИТЕЛЬНЫЙ ВАЛ — 1996 [0F601127 THRU 0F802999] — купить в Victory Marine
БЛОК ЦИЛИНДРОВ И РАСПРЕДЕЛИТЕЛЬНЫЙ ВАЛ
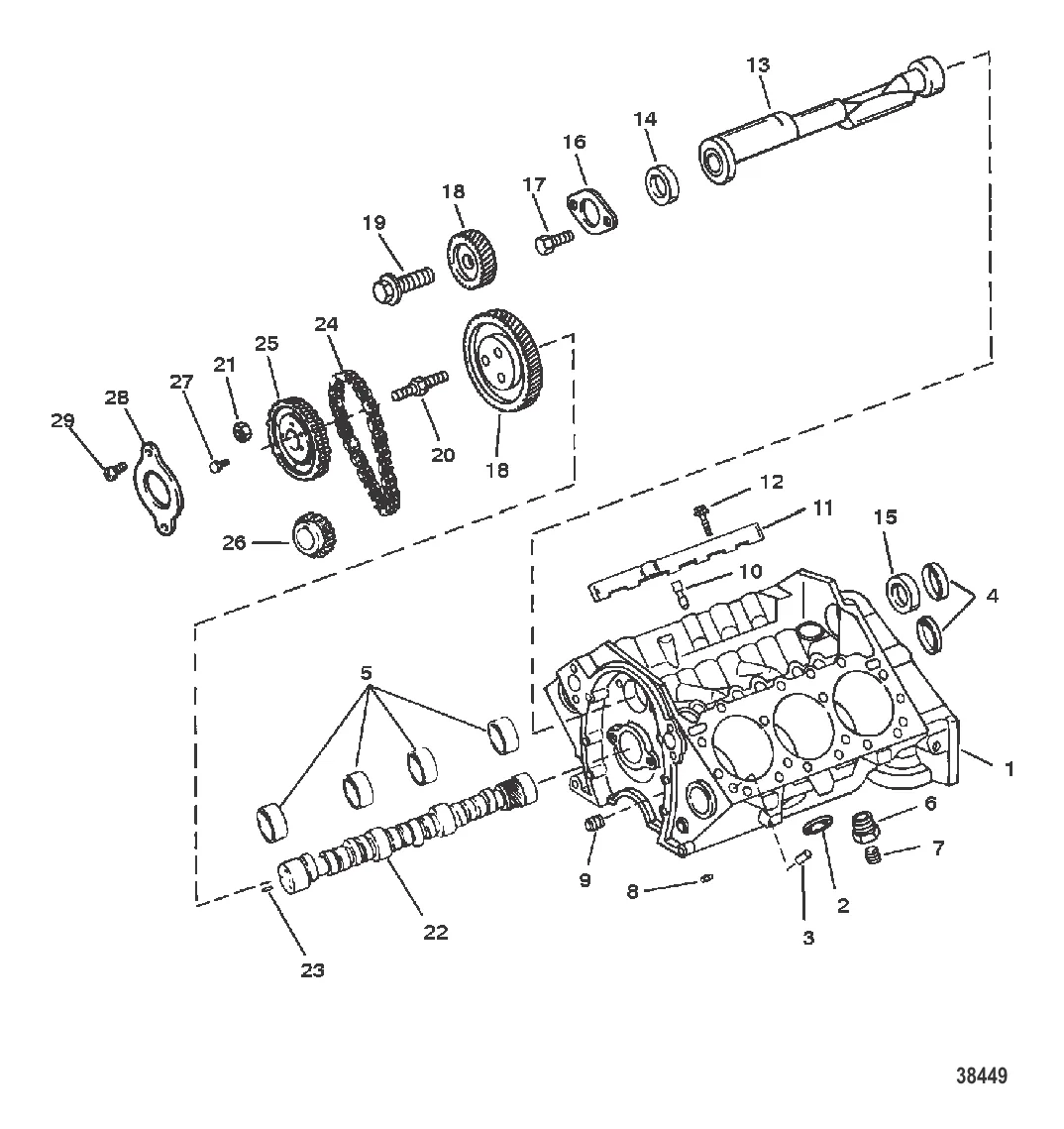
5
9
10
11
12
13
14
15
16
17
18
19
20
21
23
24
25
26
27
28
29

БЛОК ЦИЛИНДРОВ И РАСПРЕДЕЛИТЕЛЬНЫЙ ВАЛ

1 072 ₽

3 . ШТИФТ Штифт (0.312) Mercury 35465

FI1100750 → F141216 → 35465

608 ₽

1 166 ₽

13 082 ₽

1 083 ₽

1 000 ₽

945 ₽

708 ₽

19 078 ₽

Уточняйте

Уточняйте

Уточняйте

Уточняйте

15 . BEARING-SLEEVE 8M0158199

824150 → 8M0158199

Уточняйте

Уточняйте

482 ₽

35 754 ₽

Уточняйте

Уточняйте

Уточняйте

125 365 ₽

23 . ШТИФТ Штифт Mercury 843378

35312 → FI1100086 → 843378

1 677 ₽

24 . ЦЕПЬ Mercury 17161T

17161 → FI1101305 → 17161T

13 301 ₽

9 413 ₽

6 052 ₽

Уточняйте

4 863 ₽

358 ₽

Полезные статьи

Все статьи →
Обслуживание и ремонт

Перегрев лодочного мотора — 7 причин и что делать прямо на воде

Перегрев — одна из самых опасных ситуаций для подвесного мотора. Разбираем 7 основных причин перегрева и даём пошаговую инструкцию, что делать, если температура полезла вверх прямо посреди водоёма.

1 мин.
Гайды и подбор

ППВВП для маломерных судов — навигационные правила простым языком

Правила плавания по внутренним водным путям кажутся сложными только на первый взгляд. Разбираем основные навигационные правила для маломерных судов: приоритет, знаки, скорость, обгон и ночное плавание.

1 мин.
Гайды и подбор

12-вольтовая система на лодке — генератор, розетки, зарядка от мотора

Как организовать электропитание на лодке: подключение к генератору мотора Mercury, розетки, зарядка аккумулятора и электроника.

1 мин.
Связаться с нами