Блок цилиндров и крышки — 15 SEAPRO — купить в Victory Marine
Блок цилиндров и крышки
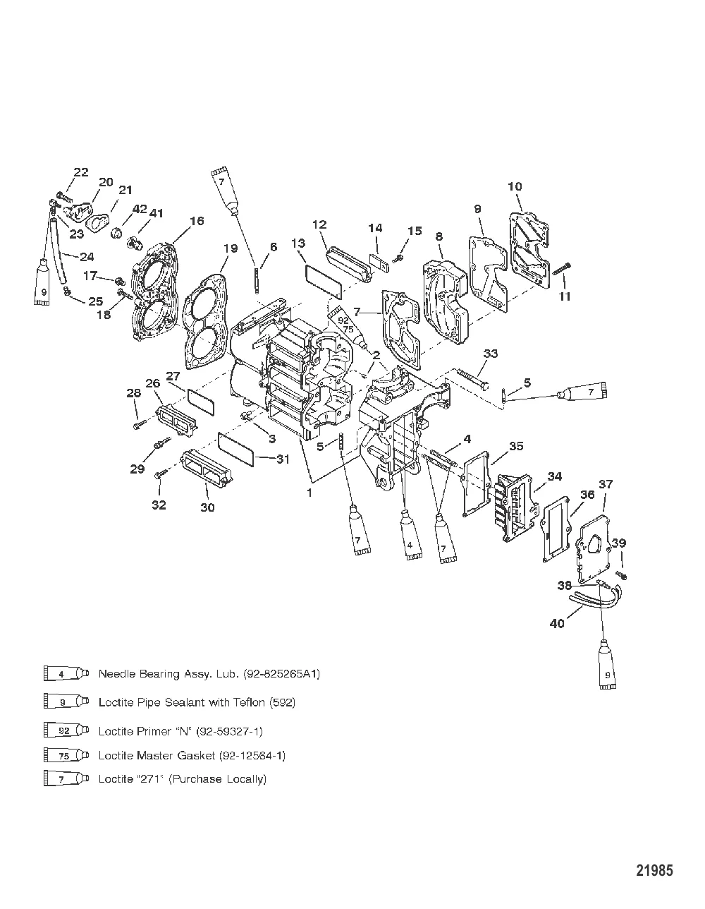
1
2
3
4
5
6
8
10
12
14
16
17
18
19
20
21
22
25
26
27
29
30
32
33
35
36
38
40
42

Блок цилиндров и крышки

246 836 ₽

619 ₽

2 033 ₽

1 463 ₽

960 ₽

2 709 ₽

1 375 ₽

4 644 ₽

1 577 ₽

13 664 ₽

12 . КРЫШКА Mercury 144071

14407 → 92349 → 144071

4 062 ₽

Уточняйте

7 983 ₽

1 301 ₽

415 ₽

Уточняйте

4 388 ₽

268 ₽

439 ₽

298 ₽

8 732 ₽

660 ₽

1 006 ₽

875 ₽

815 ₽

4 567 ₽

457 ₽

133 ₽

518 ₽

22 643 ₽

35 . ПРОКЛАДКА Mercury 414172

414171 → 41417 → 85978 → 414172

853 ₽

36 . ПРОКЛАДКА Mercury 414181

41418 → 85979 → 414181

688 ₽

11 768 ₽

4 438 ₽

259 ₽

2 832 ₽

42 . Прокладка 62386001

62386 → 62386B → 62386001

221 ₽

Полезные статьи

Все статьи →
Связаться с нами