Популярные города
Товаров не найдено, но мы можем привезти под заказ
Нет аккаунта?
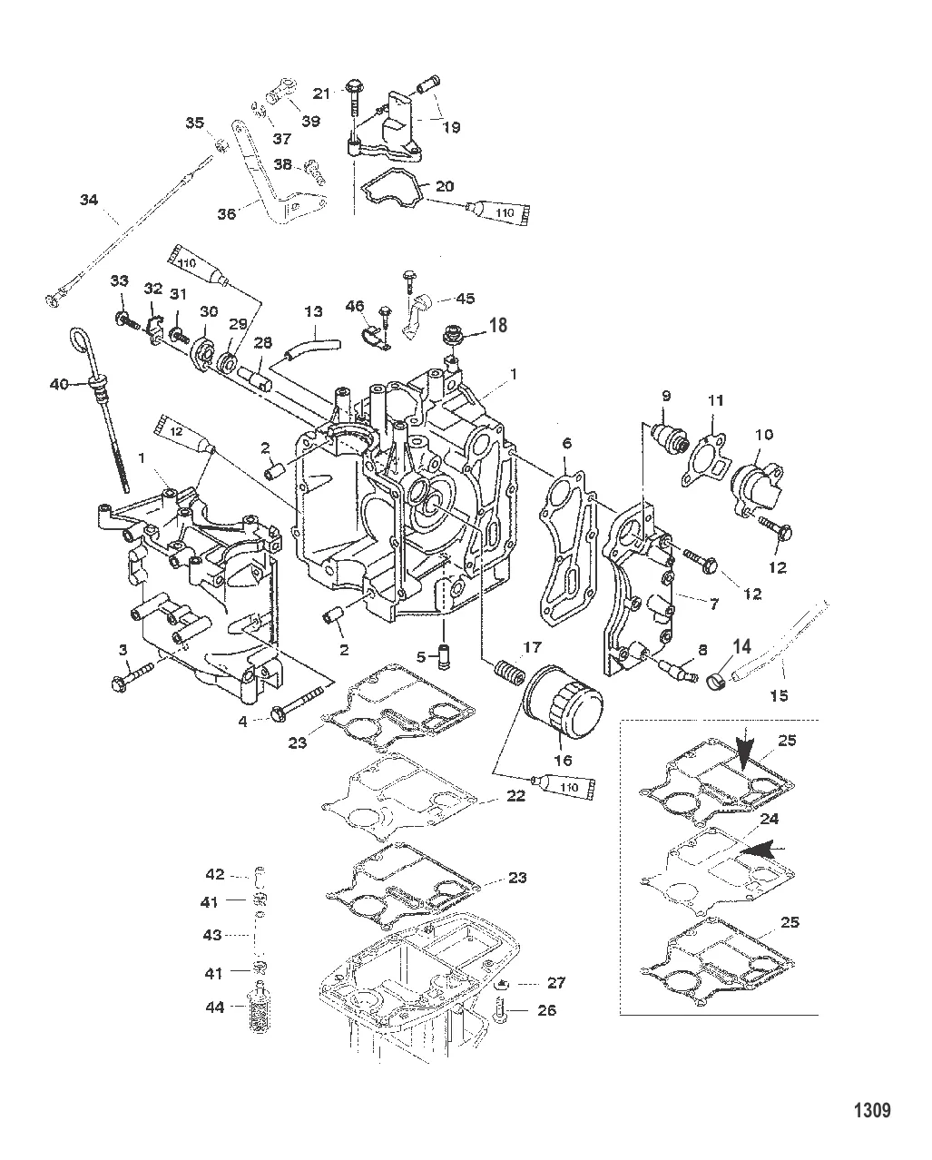
ЗАЖИМ Oetiker (12.8 мм) Mercury 888441
884385 → 888441
УПЛОТНИТЕЛЬНОЕ КОЛЬЦО Mercury 855690
855690
175 ₽
218 ₽
Как выбрать транцевые колёса для надувной лодки: откидные, съёмные, на струбцинах. Пошаговая установка своими руками, подбор по размеру и весу лодки, обзор популярных моделей.
Всё о рыбалке на Рыбинке в 2026 году: где ловить судака и щуку, лучшие базы, сезонные особенности и правила.
Разбираемся, что нужно для троллинга с лодки: какой мотор подойдёт, какие снасти взять, зачем нужен даунриггер и эхолот. Практические советы для тех, кто только начинает ловить на дорожку.
Контакты
+7 800 555-65-49
Бесплатно по России — нажмите, чтобы позвонить
Написать нам
Перезвоните мне
Оставьте номер — наш эксперт перезвонит и подберёт нужные запчасти
Нажимая кнопку, вы соглашаетесь на обработку персональных данных
Наш эксперт свяжется с вами в ближайшее время
Скидка будет применена к вашему заказу