Блок цилиндров и колпачки — [0G303046 THRU 0G760299] - USA — купить в Victory Marine
Блок цилиндров и колпачки
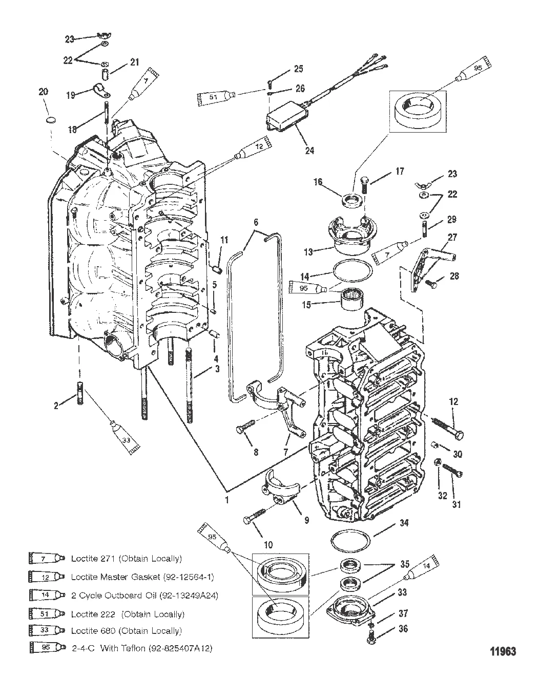
1
2
3
5
6
7
9
11
12
14
15
18
19
20
21
22
23
25
27
28
29
30
31
32
34
36

Блок цилиндров и колпачки

Уточняйте

1 . БЛОК ЦИЛИНДРА Mercury 859211T2

9765T13 → 9765A13 → 9765A7 → 859211T2

297 774 ₽

1 . БЛОК ЦИЛИНДРА Mercury 9763T61

9763A61 → 9763A18 → 9763T61

276 165 ₽

253 308 ₽

1 536 ₽

1 362 ₽

1 781 ₽

306 ₽

5 . ШТИФТ Mercury 8M0036405

67296 → 8M0036405

462 ₽

242 ₽

20 574 ₽

205 ₽

9 . КРЫШКА Mercury 76867

66761 → 56030 → 76867

4 193 ₽

259 ₽

512 ₽

631 ₽

225 ₽

58 559 ₽

702 ₽

12 923 ₽

113 ₽

626 ₽

83 ₽

Уточняйте

645 ₽

77 ₽

626 ₽

30 309 ₽

297 ₽

244 ₽

8 154 ₽

140 ₽

1 340 ₽

565 ₽

448 ₽

32 . ГАЙКА (0.250-20) Mercury 64015

F1341 → F15051 → 64015

266 ₽

40 640 ₽

579 ₽

Уточняйте

251 ₽

109 ₽

Полезные статьи

Все статьи →
Связаться с нами