10
15
20
БЛОК ЦИЛИНДРОВ И КАРТЕР
Уточняйте
413 ₽
300 ₽
335 ₽
2 500 ₽
2 632 ₽
2 521 ₽
3 951 ₽
814 ₽
10
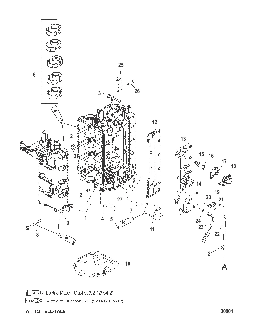
10 . 8M0213112 Прокладка блока цилиндров Mercury F30- F60 EFI 8M0163129 892319001.
859352 → 825231 → 892319001
10 000 ₽
1 413 ₽
6 616 ₽
239 ₽
221 ₽
1 700 ₽
1 246 ₽
175 ₽
20
20 . ФИТИНГ Коленчатый патрубок, 90 градусов (0.125-27 x 0.250), нейлон Mercury 996642
996641 → 99664 → 25885 → 996642
298 ₽
45 ₽
10 719 ₽
7 378 ₽
171 ₽
2 301 ₽
235 ₽
Уточняйте