Блок цилиндров и картер — [0P515897 THRU 1C453839] - Belgium — купить в Victory Marine
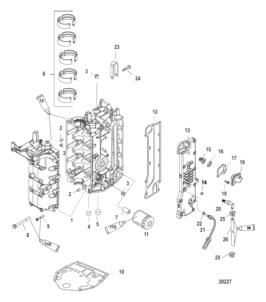
Блок цилиндров и картер
2
4
6
7
8
12
13
14
18
19
21
22
23
24
25

Блок цилиндров и картер

Уточняйте

413 ₽

334 ₽

5 . ПРОБКА Труба (0.750-14) Mercury 416223

41622 → 33198A1 → 33198 → 416223

335 ₽

2 500 ₽

2 632 ₽

2 521 ₽

3 951 ₽

814 ₽

10 000 ₽

1 413 ₽

6 616 ₽

239 ₽

1 700 ₽

1 246 ₽

175 ₽

1 200 ₽

7 378 ₽

22 . Кольцо 627021

62702 → 22175 → 627021

171 ₽

2 301 ₽

235 ₽

45 ₽

10 719 ₽

Полезные статьи

Все статьи →
Связаться с нами