БЛОК ЦИЛИНДРОВ И КАРТЕР — [0P094500 THRU 0P206999] - Belgium — купить в Victory Marine
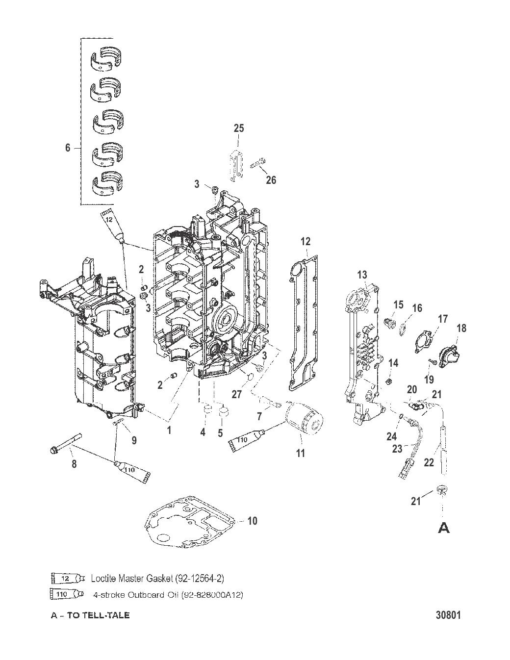
БЛОК ЦИЛИНДРОВ И КАРТЕР
2
4
6
7
8
12
13
14
16
18
19
21
23
24
25
26
27

БЛОК ЦИЛИНДРОВ И КАРТЕР

Уточняйте

413 ₽

300 ₽

5 . ПРОБКА Труба (0.750-14) Mercury 416223

41622 → 33198A1 → 33198 → 416223

335 ₽

2 500 ₽

2 632 ₽

2 521 ₽

3 951 ₽

814 ₽

10 000 ₽

1 413 ₽

6 616 ₽

239 ₽

16 . Прокладка 62386001

62386 → 62386B → 62386001

221 ₽

1 700 ₽

1 246 ₽

175 ₽

298 ₽

45 ₽

10 719 ₽

7 378 ₽

24 . Кольцо 627021

62702 → 22175 → 627021

171 ₽

2 301 ₽

235 ₽

Уточняйте

Полезные статьи

Все статьи →
Связаться с нами