БЛОК ЦИЛИНДРОВ И КАРТЕР — [0G290585 THRU 0G589999] - USA — купить в Victory Marine
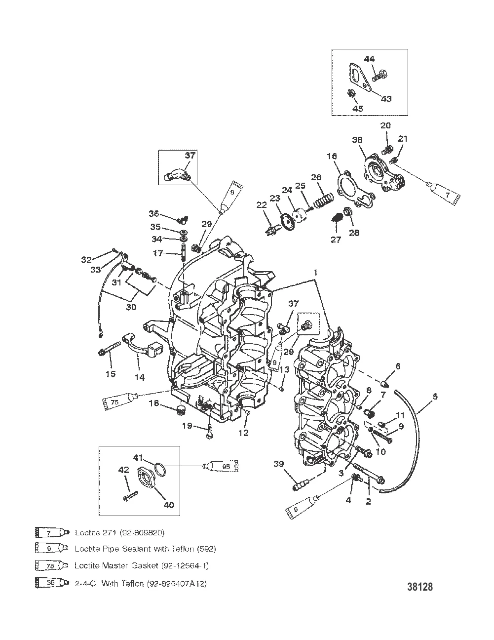
БЛОК ЦИЛИНДРОВ И КАРТЕР
1
2
3
4
5
7
8
9
10
11
13
14
15
16
17
18
19
21
22
23
24
25
26
28
30
31
32
33
34
36
38
39
40
43
44

БЛОК ЦИЛИНДРОВ И КАРТЕР

232 333 ₽

2 . ВИНТ (M8 x 80) Mercury 81742780

4009580 → 40062159 → 81742780

576 ₽

152 ₽

2 742 ₽

6 600 ₽

6 . 426233 ОБРАТНЫЙ КЛАПАН Mercury

426231 → 42623 → 91933 → 426233

Уточняйте

1 661 ₽

8 . Клапан 42657A3

42657A1 → 56011A2 → 56011A1 → 42657A3

1 103 ₽

410 ₽

257 ₽

289 ₽

306 ₽

13 . PIN - DOWEL Mercury 8M0084653

8128701 → 8M0084653

434 ₽

Уточняйте

161 ₽

913 ₽

1 610 ₽

359 ₽

449 ₽

236 ₽

133 ₽

1 496 ₽

1 387 ₽

387 ₽

223 ₽

2 229 ₽

221 ₽

28 . Прокладка 62386001

62386 → 62386B → 62386001

221 ₽

1 000 ₽

14 885 ₽

759 ₽

335 ₽

146 ₽

77 ₽

261 ₽

290 ₽

298 ₽

952 ₽

5 295 ₽

1 500 ₽

Уточняйте

208 ₽

259 ₽

Уточняйте

Уточняйте

481 ₽

Полезные статьи

Все статьи →
Связаться с нами