Блок цилиндра Распределительный вал и коленчатый вал — [0W690000 THRU 0W698432] — купить в Victory Marine
Блок цилиндра Распределительный вал и коленчатый вал
2
4
5
6
8
9
10
11
12
13
14
18
19
20
21
22

Блок цилиндра Распределительный вал и коленчатый вал

21 320 ₽

22 876 ₽

22 293 ₽

27 085 ₽

49 509 ₽

21 564 ₽

1 722 ₽

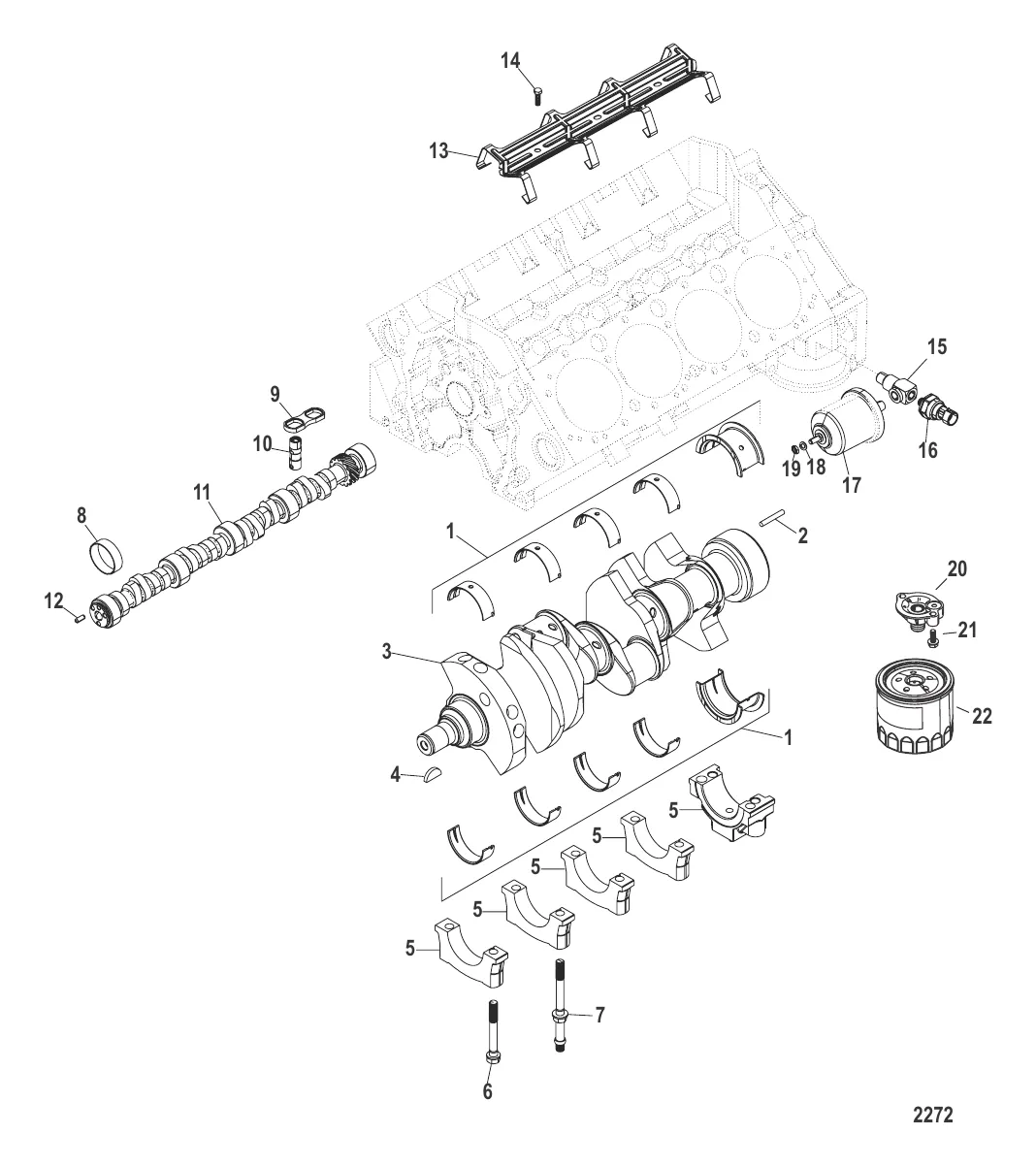
3 . КОЛЕНЧАТЫЙ ВАЛ Mercury 8M0054508

95211 → 9519T → 9519 → FI1101308 → 8M0054508

230 744 ₽

3 . CRANKSHAFT ASSY 8M0150284

863323T1 → 8M0150284

386 096 ₽

4 . КЛЮЧ Mercury 34466

FI1100098 → FI1100861 → 34466

316 ₽

2 140 ₽

Уточняйте

6 . ВИНТ Mercury 8625671

862567 → 8625671

1 943 ₽

14 978 ₽

2 478 ₽

19 800 ₽

123 673 ₽

97 613 ₽

12 . ШТИФТ Штифт Mercury 843378

35312 → FI1100086 → 843378

1 677 ₽

7 259 ₽

14 . ВИНТ (0.312-18 x 0.625) Mercury 34500

FI1100945 → F839896 → 34500

1 714 ₽

3 399 ₽

16 . 881879T11 Датчик давления Mercruiser (QUICKSILVER)

881879011 → 881879A6 → 859210T → 859210 → 881879T11

24 990 ₽

10 990 ₽

18 . Шайба 26996

20040 → 26996

140 ₽

19 . Гайка 68219

20645 → 33252 → 68219

72 ₽

12 216 ₽

810 ₽

2 200 ₽

22 . 866340Q03 Масляный фильтр для Mercruiser 3.0-8.2L (QUICKSILVER)

866340Q02 → 802885Q → 14957 → 52731 → 32717 → 866340Q03

2 200 ₽

Полезные статьи

Все статьи →
Связаться с нами