Блок цилиндра Масляный насос и натяжное устройство распределительного механизма — 3.0L VM 270 V6 SD — купить в Victory Marine
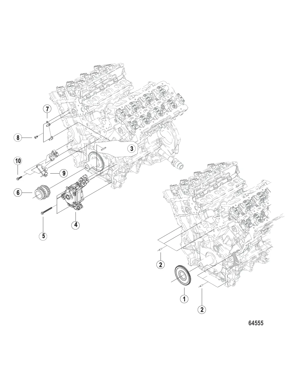
Блок цилиндра Масляный насос и натяжное устройство распределительного механизма
1
2
3
4
5
6
7
8
9
10

Блок цилиндра Масляный насос и натяжное устройство распределительного механизма

1 . GEAR 8M0129890

8M0129890

Уточняйте

277 ₽

3 . KEY 8M0129701

8M0129701

Уточняйте

63 392 ₽

Уточняйте

Уточняйте

Уточняйте

8 . ВИНТ Mercury 898101564

896332074 → 898101564

99 ₽

Уточняйте

10 . ВИНТ Mercury 898101619

879283 → 898101619

65 ₽

Полезные статьи

Все статьи →
Обслуживание и ремонт

Мотор глохнет на холостых оборотах — пошаговая диагностика

Лодочный мотор заводится, но глохнет на холостых? Разбираем пошаговый алгоритм диагностики: от топливной системы и зажигания до регулировки холостого хода и типичных болезней моторов Mercury.

1 мин.
Гайды и подбор

Оптовые поставки запчастей Mercury — как это работает у нас

Рассказываем, как устроена наша оптовая программа: кому подойдёт, что входит в условия и как получить доступ к специальным ценам на запчасти Mercury, MerCruiser и Quicksilver.

1 мин.
Обслуживание и ремонт

Вибрация лодочного мотора — причины, диагностика и устранение

Вибрация лодочного мотора может быть вызвана десятком причин — от повреждённого винта до износа подвески. Разбираем каждую причину, объясняем, как диагностировать, и рассказываем, что можно исправить самому, а с чем ехать в сервис.

1 мин.
Связаться с нами