Блок цилиндра Корпус маховика — 3.0L VM 270 V6 SD — купить в Victory Marine
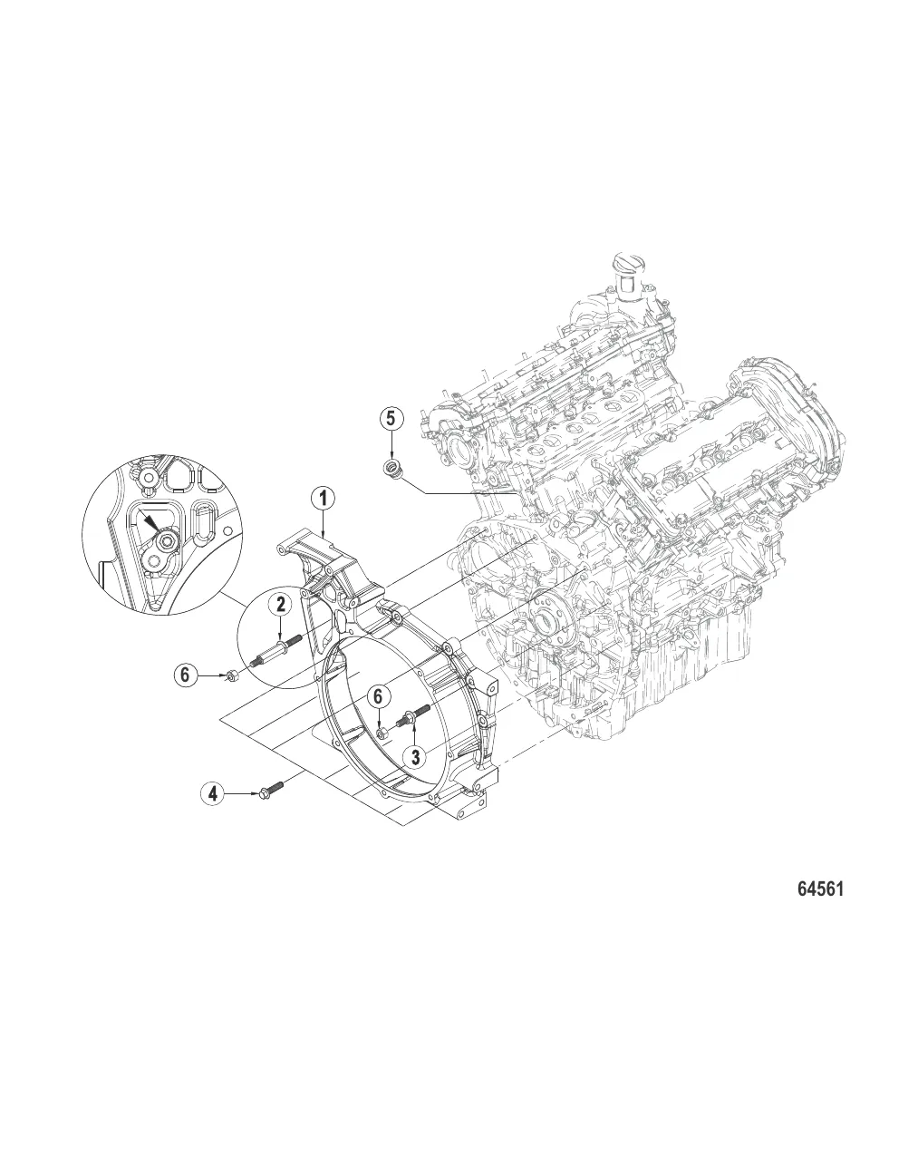
Блок цилиндра Корпус маховика
1
2
3
4
5
6

Блок цилиндра Корпус маховика

Уточняйте

Уточняйте

Уточняйте

4 . ВИНТ Mercury 898101566

879150079 → 898101566

131 ₽

Уточняйте

6 . NUT 8M0129777

896332192 → 8M0129777

426 ₽

Полезные статьи

Все статьи →
Связаться с нами