BELL HOUSING — [0B664190 THRU 0F729999] - Cat.# 90-17721 — купить в Victory Marine
BELL HOUSING
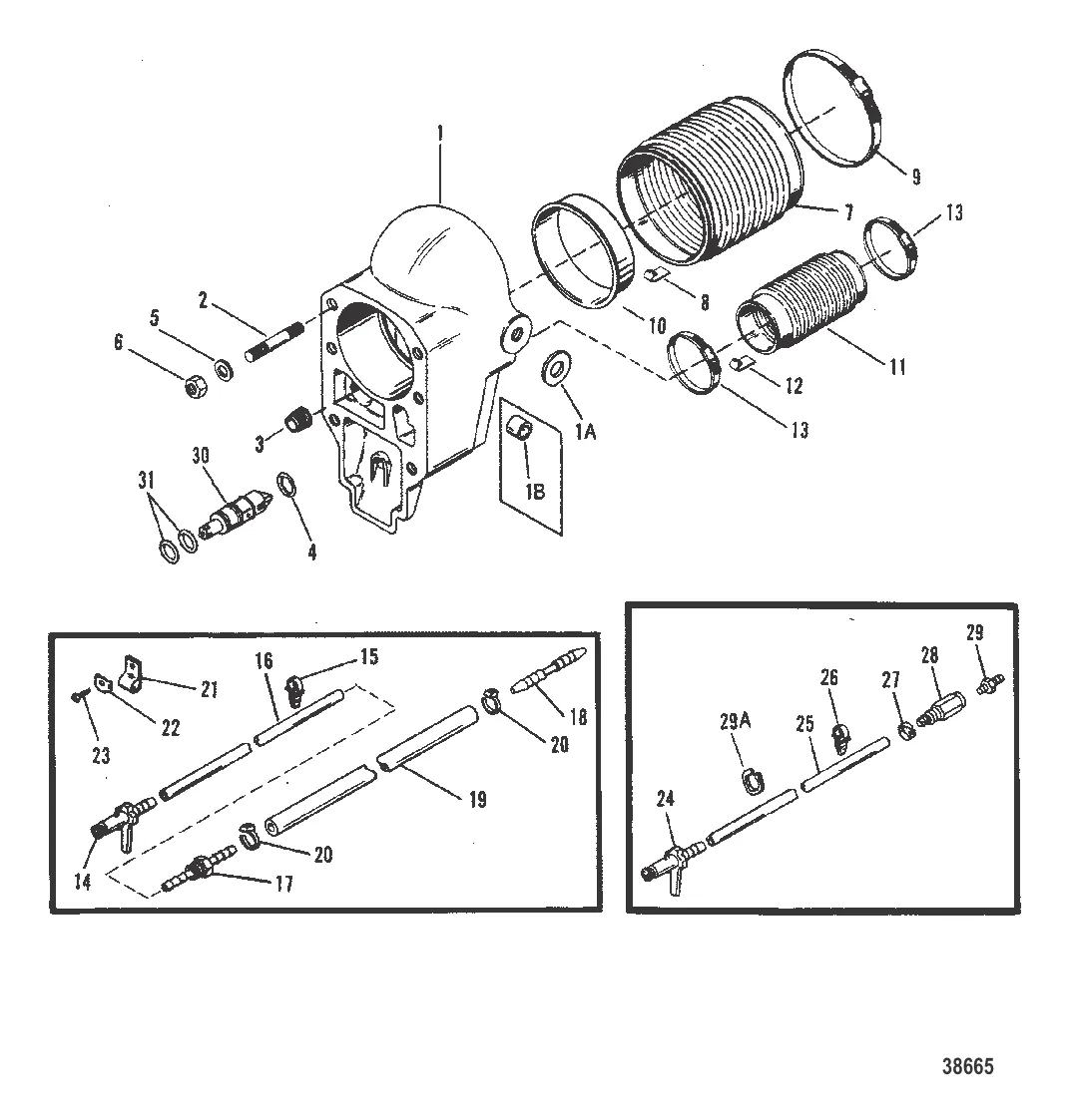
1
2
4
9
10
11
12
13
17
18
19
21
22
23
24
25
26
27
28
29
30
31

BELL HOUSING

521 ₽

183 416 ₽

2 900 ₽

138 169 ₽

1 126 ₽

1 000 ₽

4 . Кольцо 62705

F748342 → 62705

44 ₽

350 ₽

450 ₽

18 700 ₽

9 . Хомут 815504372

31765 → 815504372

1 821 ₽

10 . Втулка 862209

86814 → 862209

937 ₽

9 365 ₽

7 500 ₽

208 ₽

13 . Хомут 815504348

32533 → 815504348

3 051 ₽

Уточняйте

269 ₽

2 432 ₽

844 ₽

574 ₽

152 ₽

126 ₽

24 . Коннектор 815303T

815303 → 12899 → 815303T

1 271 ₽

4 887 ₽

329 ₽

141 ₽

Уточняйте

1 105 ₽

999 ₽

7 900 ₽

Уточняйте

Полезные статьи

Все статьи →
Связаться с нами