Бак паросепаратора и топливопроводы — [0F803800 THRU 0K999999] — купить в Victory Marine
Бак паросепаратора и топливопроводы
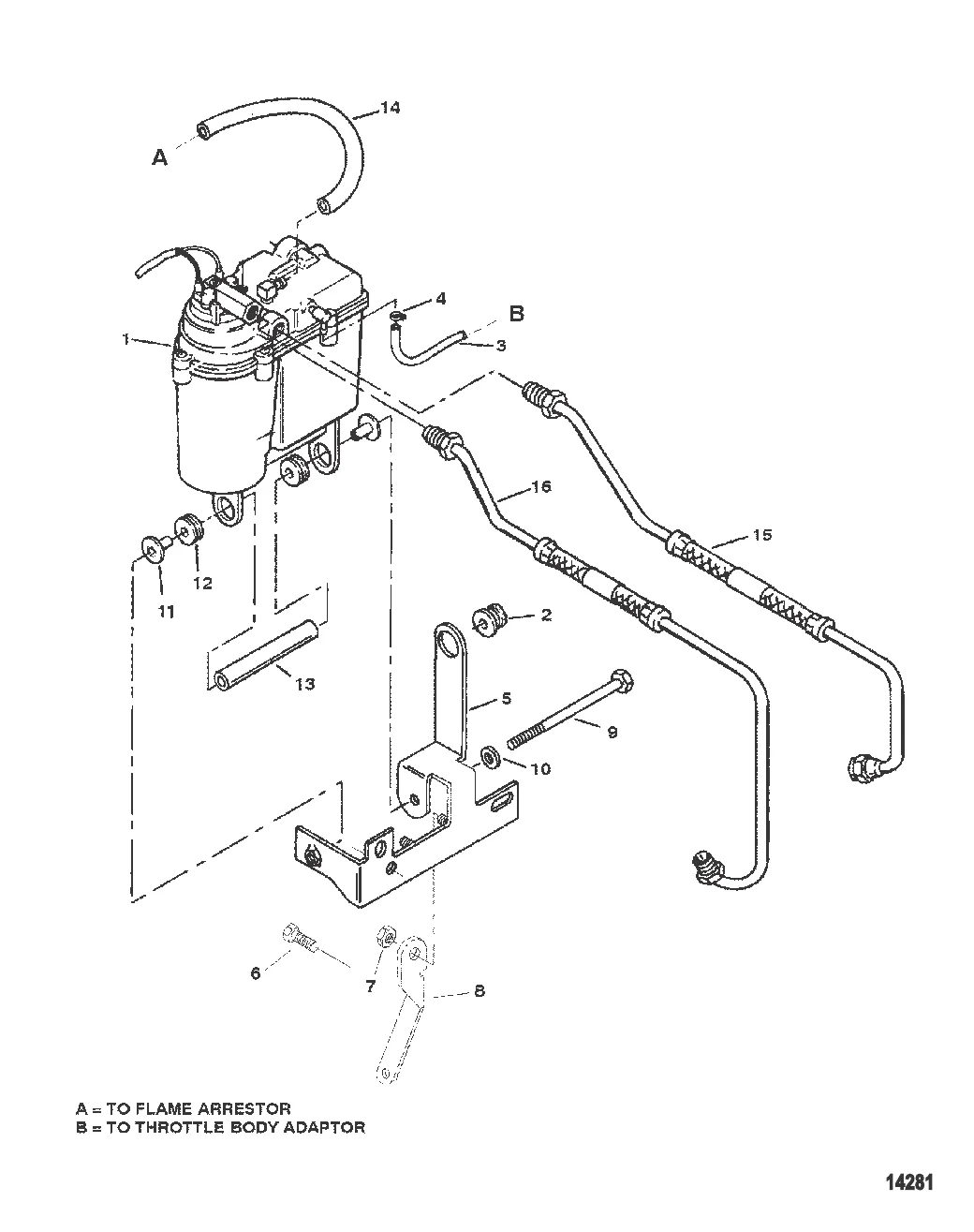
1
2
5
6
8
9
10
11
12
13
15
16

Бак паросепаратора и топливопроводы

Уточняйте

662 ₽

5 238 ₽

408 ₽

Уточняйте

152 ₽

607 ₽

Уточняйте

Уточняйте

208 ₽

Уточняйте

338 ₽

Уточняйте

4 792 ₽

Уточняйте

Уточняйте

Полезные статьи

Все статьи →
Гайды и подбор

Штрафы за управление лодкой в нетрезвом виде в 2026 году

Управление лодкой в нетрезвом виде — серьёзное нарушение с крупными штрафами и лишением прав. Разбираем размеры штрафов, порядок проверки и последствия для судоводителя в 2026 году.

1 мин.
Обслуживание и ремонт

Топливная система лодочного мотора: устройство, обслуживание, неисправности

Разбираем топливную систему лодочного мотора от бака до форсунки: фильтры, шланги, сепараторы, груша подкачки. Артикулы расходников Mercury, борьба с водой и старым бензином.

1 мин.
Сравнения и обзоры

Электрический лодочный мотор как основной двигатель — когда это имеет смысл

Не путаем с троллинговыми моторчиками — речь про полноценные электрические двигатели для лодок. Torqeedo, ePropulsion и другие: мощность, батареи, запас хода, стоимость владения.

1 мин.
Связаться с нами